外装铰链
外装铰链 2308系列
外装铰链、外置式铰链、外露式铰链、2308-111AE-20、2308-111CE-20、2308-111CE-120、2308-111CF-20、2308-111CF-120、2308-111CF-316、2308-112AE-20、2308-112CE-20、2308-112CE-120、2308-112CF-20、2308-112CF-120、2308-112CF-316
-
表面处理:
喷塑麻面黑
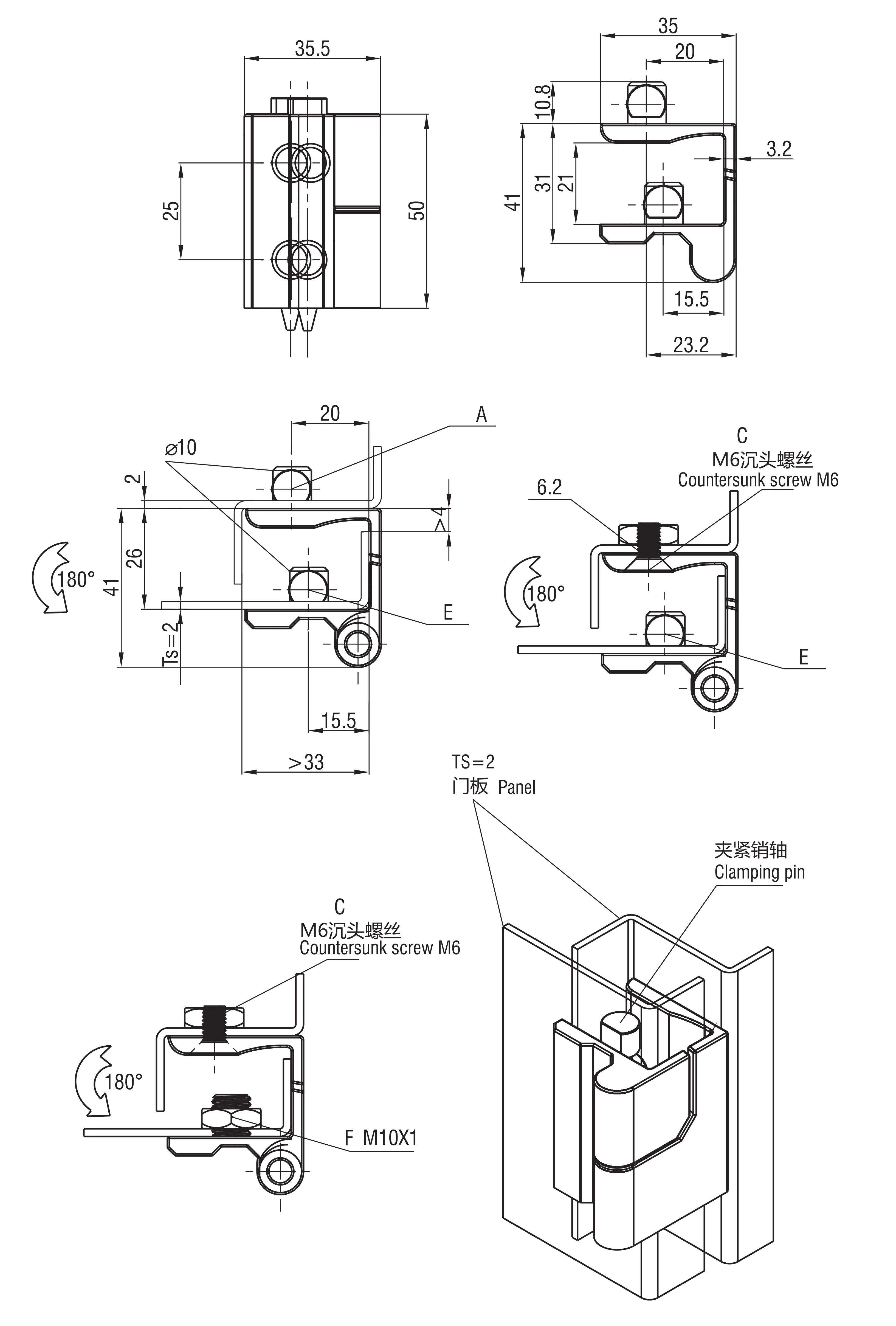
- 可拆卸安装
- 快速安装
- 多种材质可选
- 动铰链、静铰链:锌合金/不锈钢316
- 销轴:不锈钢316
产品优点
材质
- 产品数据表
- 可选配件
- 关联产品
- 评论建议
产品数据表
外装铰链2308系列产品数据表
| 产品编码 | 型式 | 材质名称 | 安装方向 | |
|---|---|---|---|---|
|
|
2308-111AE-20 | A+E | 全锌合金 | 左装 |
|
|
2308-111CE-20 | C+E | 全锌合金 | 左装 |
|
|
2308-111CE-120 | C+E | Q235框件、锌合金门件 | 左装 |
|
|
2308-111CF-20 | C+F | 全锌合金 | 左装 |
|
|
2308-111CF-120 | C+F | Q235框件、锌合金门件 | 左装 |
|
|
2308-111CF-316 | C+F | 全不锈钢316 | 左装 |
|
|
2308-112AE-20 | A+E | 全锌合金 | 右装 |
|
|
2308-112CE-20 | C+E | 全锌合金 | 右装 |
|
|
2308-112CE-120 | C+E | Q235框件、锌合金门件 | 右装 |
|
|
2308-112CF-20 | C+F | 全锌合金 | 右装 |
|
|
2308-112CF-120 | C+F | Q235框件、锌合金门件 | 右装 |
|
|
2308-112CF-316 | C+F | 全不锈钢316 | 右装 |
可选配件
暂无可选配件
评论建议
欢迎您对yeeka产品提出改进建议,我们非常珍视每一位客户的反馈,并尽力满足您的需求和期望,共同打造更优秀的产品。

金刚 1518系列物联锁
百变骑士 1507系列物联锁
户外物联锁
户内物联锁
摇把锁
压缩式门锁
杠杆门锁
卡式侧门锁
按压式门锁
膨胀门锁
拉动式门锁
拉手锁
提拉式手柄锁
直角转舌锁
防震式门锁
面板锁
碰锁
转动式门锁
螺丝固定铰链
扭矩铰链
可拆铰链
外装铰链
内装铰链
自回弹式拉手
U型拉手
隐藏式拉手
嵌入式拉手
可拆叠式拉手
手柄
支撑
密封条
锁舌
钥匙
拉杆
拉杆附件
拉杆装置
螺母
防尘罩
防尘盖
拉攀
法兰螺丝
吊环
异形锁芯 